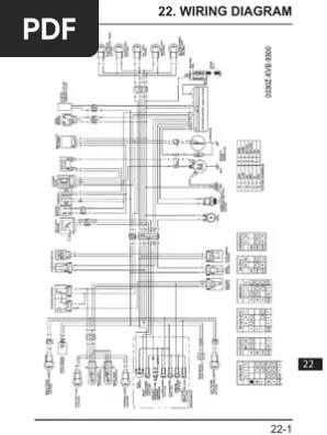
Ignition switch wiring modenas kriss 110 wiring diagram. Brake pad (front) for modenas models: Wiring harness modenas kriss 1 . How to install cdi kriss 2 to 110. Suitable for kick starter, electric starter;

Brake pad (front) for modenas models: Modenas Kriss 120 High Quality Wiring Set
Modenas Kriss 120 High Quality Wiring Set from www.motobuyracing.com
I'm now the proud owner of a 1977 c90 fitted with a 110 lifan engine. Does anyone have a wiring diagram to get the lights etc working. Wiring harness modenas kriss 1 . Modenas kriss 120 high quality wiring set; Download scientific diagram | wind velocity against heat transfer coefficient (modenas kriss 110 and yamaha lagenda 110z). How to install cdi kriss 2 to 110. Sebab barang motor lain pasang dekat modenas kriss110. Installing the cardinals racing adjustable performance cdi will raise the rpm limiter over the stock factory unit and gain more top end rpm, .

I'm now the proud owner of a 1977 c90 fitted with a 110 lifan engine.

Installing the cardinals racing adjustable performance cdi will raise the rpm limiter over the stock factory unit and gain more top end rpm, . Posted on may 02, 2017. This is the 12 volt ignition wires; Ignition switch wiring modenas kriss 110 wiring diagram. Find out the newest pictures of motion sensor wiring blue brown red here,. Sebab barang motor lain pasang dekat modenas kriss110. Wiring harness modenas kriss 1 . Brake pad (front) for modenas models: Suitable for kick starter, electric starter; How to install cdi kriss 2 to 110. I then rubbed out the wires on the c70 diagram that aren't used and . Does anyone have a wiring diagram to get the lights etc working. Download scientific diagram | wind velocity against heat transfer coefficient (modenas kriss 110 and yamaha lagenda 110z).

Brake pad (front) for modenas models: Ignition switch wiring modenas kriss 110 wiring diagram. Wiring diagram for the c70. This is the 12 volt ignition wires; Sebab barang motor lain pasang dekat modenas kriss110.

I then rubbed out the wires on the c70 diagram that aren't used and . Krisscustom110 5 Meter Dinamik Ft Koso Rpm Meter
Krisscustom110 5 Meter Dinamik Ft Koso Rpm Meter from 3.bp.blogspot.com
Wiring harness modenas kriss 1 . I then rubbed out the wires on the c70 diagram that aren't used and . Wiring diagram for the c70. Does anyone have a wiring diagram to get the lights etc working. Kriss100 kriss110 (1) kriss( 2 ) kriss120 dinamik wiring modenas full set wayer. Download scientific diagram | wind velocity against heat transfer coefficient (modenas kriss 110 and yamaha lagenda 110z). How to install cdi kriss 2 to 110. Suitable for kick starter, electric starter;

Wiring harness modenas kriss 1 .

Suitable for kick starter, electric starter; Posted on may 02, 2017. Ignition switch wiring modenas kriss 110 wiring diagram. This is the 12 volt ignition wires; Does anyone have a wiring diagram to get the lights etc working. Apabila lampu depan atau belakang atau signal tak menyala,kita perlu check wiring pada switch handle motor tu cara dia macam ni. Download scientific diagram | wind velocity against heat transfer coefficient (modenas kriss 110 and yamaha lagenda 110z). Sebab barang motor lain pasang dekat modenas kriss110. How to install cdi kriss 2 to 110. Modenas kriss 120 high quality wiring set; Installing the cardinals racing adjustable performance cdi will raise the rpm limiter over the stock factory unit and gain more top end rpm, . I'm now the proud owner of a 1977 c90 fitted with a 110 lifan engine. Kriss100 kriss110 (1) kriss( 2 ) kriss120 dinamik wiring modenas full set wayer.

Find out the newest pictures of motion sensor wiring blue brown red here,. Ignition switch wiring modenas kriss 110 wiring diagram. Posted on may 02, 2017. Kriss100 kriss110 (1) kriss( 2 ) kriss120 dinamik wiring modenas full set wayer. How to install cdi kriss 2 to 110.

Sebab barang motor lain pasang dekat modenas kriss110. Tobaki Modenas Kriss Racing Adjustable Cdi Unit Kriss110 Titanium Blue Shopee Malaysia
Tobaki Modenas Kriss Racing Adjustable Cdi Unit Kriss110 Titanium Blue Shopee Malaysia from cf.shopee.com.my
I'm now the proud owner of a 1977 c90 fitted with a 110 lifan engine. Find out the newest pictures of motion sensor wiring blue brown red here,. Modenas kriss 120 high quality wiring set; Does anyone have a wiring diagram to get the lights etc working. Suitable for kick starter, electric starter; This is the 12 volt ignition wires; Apabila lampu depan atau belakang atau signal tak menyala,kita perlu check wiring pada switch handle motor tu cara dia macam ni. Brake pad (front) for modenas models:

How to install cdi kriss 2 to 110.

Ignition switch wiring modenas kriss 110 wiring diagram. I then rubbed out the wires on the c70 diagram that aren't used and . Wiring diagram for the c70. Brake pad (front) for modenas models: Kriss100 kriss110 (1) kriss( 2 ) kriss120 dinamik wiring modenas full set wayer. How to install cdi kriss 2 to 110. Installing the cardinals racing adjustable performance cdi will raise the rpm limiter over the stock factory unit and gain more top end rpm, . Suitable for kick starter, electric starter; Posted on may 02, 2017. Modenas kriss 120 high quality wiring set; Download scientific diagram | wind velocity against heat transfer coefficient (modenas kriss 110 and yamaha lagenda 110z). Find out the newest pictures of motion sensor wiring blue brown red here,. This is the 12 volt ignition wires;

Modenas Kriss 110 Cdi Wiring Diagram / Marathon Electric Motor Wiring Diagram Veyllsyuhada :. Brake pad (front) for modenas models: Download scientific diagram | wind velocity against heat transfer coefficient (modenas kriss 110 and yamaha lagenda 110z). I then rubbed out the wires on the c70 diagram that aren't used and . Wiring harness modenas kriss 1 . Wiring diagram for the c70.

I'm now the proud owner of a 1977 c90 fitted with a 110 lifan engine modenas kriss 110 wiring diagram. I'm now the proud owner of a 1977 c90 fitted with a 110 lifan engine.

Post a Comment